Ticker

6/recent/ticker-posts

Advertisement

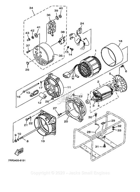
PDF Yamaha Ef1600a Ef2400a Generator Models Service Manual

Presently you are looking for an Yamaha Ef1600a Ef2400a Generator Models Service Manual example that we provide here inside some form of document formats like as PDF, Doc, Strength Point, and in addition images that will make it easier for you to create an Yamaha Ef1600a Ef2400a Generator Models Service Manual yourself. For a better look, you are able to open some examples below. All of the good examples about Yamaha Ef1600a Ef2400a Generator Models Service Manual about this site, we get from many sources so you could create a better file of your own.

If the search you obtain here does not complement what you are seeking for, please use the search feature that we have got provided here. You are free to download something that we provide in this article, expense cost you the slightest.

DOWNLOAD HERE

Everybody knows that reading Yamaha Ef1600a Ef2400a Generator Models Service Manual is effective, because we are able to get a lot of information in the reading materials. Technology has developed, and reading Yamaha Ef1600a Ef2400a Generator Models Service Manual books may be far easier and simpler. We can easily read books on our mobile, tablets and Kindle, etc. Hence, there are many books entering PDF format.

Listed below are some websites for downloading free PDF books to acquire the maximum amount of knowledge as you would like. Today everybody, young and old, should familiarize themselves with the growing eBook business. Ebooks and eBook visitors provide substantial benefits above traditional reading. Ebooks slice down on the make use of of paper, as advocated by environmental enthusiasts. Presently there are no fixed timings for study. There is usually no question of waiting-time for new editions. Presently there is no transportation in order to the eBook shop. The books at an eBook shop can be downloaded immediately, sometimes for free, at times for any fee.

Not simply that, the online version of books are typically less expensive, because publication homes save on their print plus paper machinery, the advantages of which are given to to customers. Further, the reach of the eBook shop is immense, permitting someone living in Quotes to source out in order to a publication house inside Chicago. The newest phenomenon in the online eBook world is exactly what are called eBook libraries, or eBook packages. An eBook bundle is something remarkable. This consists of a huge number of ebooks bundled together that are not necessarily easily available at one solitary place. So instead regarding hunting down and purchasing, say 100 literary timeless classics, you can buy an eBook bundle which contains all these kinds of ebooks bundled together. These kinds of eBook libraries typically provide a substantial savings, plus are usually offered inside a variety of formats to suit your brand of electronic reading device. Large companies, such since Amazon or Barnes as well as Noble, tend to not necessarily carry these eBook libraries. If you want in order to purchase one of these libraries, you will have in order to find independent eBook outlets. These independent eBook outlets typically package the eBook libraries by genre, plus have a wide selection of genres.